Raspberry B+ im Test: Sparsamer Nachfolger für mehr Bastelspaß

Noch sei es kein Raspberry Pi 2, schrieb die Raspberry Pi Foundation(öffnet im neuen Fenster) bei der Präsentation des Nachfolgers des Raspberry Pi B Mitte Juli 2014. Folgerichtig gaben die Macher der beliebten Entwicklerplatine der neuen Version den Namen B+. Dabei wurde aber mehr als nur Modellpflege betrieben. Die Neuerungen sind nicht nur für Bastler interessant, die sich über mehr GPIO-Anschlüsse freuen können.

Manche haben sich wohl eine kräftigere CPU gewünscht. Damit kann das Raspberry Pi B+ nicht aufwarten. Auf der kleinen Platine ist weiterhin das BCM2835-SoC von Broadcom mit einem Kern, der bis zu 700 MHz getaktet werden kann. Auch die Videocore-GPU bleibt damit die gleiche. Der Arbeitsspeicher ist mit 512 MByte genauso groß wie auf dem Modell B. Der von Microchip - vormals SMSC - hergestellte LAN-Chip 9514(öffnet im neuen Fenster) ist ebenfalls identisch mit dem des Raspberry Pi B. Demnach bleibt es bei einem maximalen Datendurchsatz von 100 MBit. Soweit die Gemeinsamkeiten des Raspberry Pi B+ mit seinem Vorgänger.








Der LAN-Chip 9514 ist gleichzeitig der USB-Hub der Entwicklerplatine. Statt wie bisher nur zwei USB-2.0-Ports hat das Raspberry Pi B+ jetzt Platz für vier USB-Geräte, die alle an der Vorderseite der Platine verbaut sind. Daneben ist der LAN-Steckplatz, der jetzt mit eigenen LEDs ausgestattet ist. Auf der Platine selbst leuchten nur noch zwei LEDs: die eine, wenn die Platine an ein Netzteil angeschlossen ist, und die zweite, wenn auf die Micro-SD-Karte zugegriffen wird. Die älteren Versionen des Raspberry Pi benötigten noch die größere SD-Karte. Der neue Kartenschacht hat einen Federmechanismus, die Karte ragt nur wenige Millimeter über die Platine hinaus. Wer bereits eine Micro-SD-Karte in einem SD-Karten-Adapter mit einer der gängigen Linux-Distributionen für das Raspberry Pi nutzt, kann sie problemlos auch mit dem Raspberry Pi B+ verwenden. Es ist keine Neuinstallation nötig.
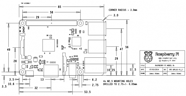
Der auffällig gelbe FBAS-Anschluss ist verschwunden. Er wurde stattdessen mit dem Audio-Ausgang vereint. Damit er genutzt werden kann, wird ein entsprechender 4-poliger Klinkenstecker benötigt. Ein herkömmlicher Klinkenstecker für Audio funktioniert jedoch weiterhin. Daneben liegen der HDMI-Ausgang und der Micro-USB-Stecker für das Netzteil. Bisher lagen sämtliche Anschlüsse verteilt auf der Platine, jetzt sind sie auf der Vorderseite sowie auf der linken Seite der Platine vereint. Daher passt das Raspberry Pi B+ nicht mehr in das Gehäuse seiner Vorgänger, obwohl die Grundmaße der Platine mit 85,60 x 56 x 21 mm gleich geblieben sind. Auf dem Vorgänger waren noch zwei Löcher für die Fixierung mit Schrauben diagonal und etwas willkürlich in die Platine eingelassen - dort wo sie nicht störten. Auf dem Raspberry Pi B+ hingegen sind es vier Stück, die an den Rändern verteilt sind.
Mehr USB, weniger Leistungsaufnahme
Die vier statt zwei USB-Anschlüsse benötigen auch mehr Stromstärke, nach den Spezifikationen müssen es für jeden Anschluss 500 mA sein. Nach eigenen Angaben lässt sich das auf dem Raspberry Pi B+ jedoch nicht umsetzen, insgesamt stehen allen vier Anschlüssen 1.7 A zur Verfügung. Wie viel Ampere die jeweils angeschlossenen USB-Geräte benötigen, lässt sich beispielsweise an der Ausgabe des Befehls Lsusb mit lsusb -v | grep -Ei '(idVendor|MaxPower)' ermitteln. Empfohlen wird ein Netzteil mit 5 Volt und 2 A. Vorsicht ist vor allem bei einer zu geringen Stromstärke für angeschlossene USB-Festplatten geboten, da es dabei unter Umständen zu Lese- oder gar Schreibfehlern kommen kann.
Weniger Verbrauch, weniger Wärme
Damit alle vier USB-Ports überhaupt mit Strom versorgt werden können, hat das Raspberry Pi B+ statt wie bisher einen linearen Spannungsregler jetzt einen Schaltregler, der generell für eine stabilere Versorgungsspannung sorgt. Der neue Schaltregler sorgt vor allem aber auch für eine deutlich geringere Leistungsaufnahme des neuen Raspberry Pi und senkt nebenbei auch die Wärmeentwicklung. Unter Raspian an der grafischen Oberfläche mit angeschlossener Tastatur, Maus und aktivem LAN sank der Verbrauch im Vergleich zum Raspberry Pi von etwa 3,4 auf 2,1 Watt.
Unter dem Multimediacenter RaspBMC beobachteten wir ähnliche Werte: Beim Abspielen eines mit H.264 codierten 1080p-Videos sank der Verbrauch von 3,8 auf 2,3 Watt, die Temperatur des Broadcom-SoCs verringerte sich von 47,5 auf 40,5 Grad Celsius. Beim Abspielen von Musik mit dem Screensaver-Addon OpenGL Spectrum verringerte sich der Verbrauch von 4,3 auf 2,7 Watt und die Temperatur des SoCs von 53 auf 46 Grad Celsius. Wir nutzten jeweils das gleiche Netzteil mit den empfohlenen 2 A. Die Temperaturmessungen erfolgten punktgenau auf dem Broadcom-Chip.
Ein weiterer Vorteil des veränderten Stromkreises ist die verbesserte Audioqualität, denn durch die geringeren Stromspitzen entfallen das dabei entstehende Rauschen und die zahlreichen Störgeräusche, die bislang für eine schlechte Klangausgabe über den analogen Anschluss sorgten.
Mehr Pins zum Spielen
Für Spielereien mit Sensoren-LEDs und dergleichen gibt es jetzt mehr GPIOs. Insgesamt sind es jetzt 40 Pins statt zuvor 26. Zwei davon, nämlich Pin 27 ID-SD und 28 ID_SC, sind jedoch reserviert. Sie dienen dem Auslesen der Eeproms von künftigen Erweiterungsplatinen, die dem neuen Standard der Raspberry Pi Foundation entsprechen . Aus dem Eeprom solcher - Hats oder Hardware Attached on Top genannten - Platinen, soll das Betriebssystem die Zuordnung der GPIO-Pins sowie weitere Hardware-Informationen als Device-Tree für Linux auslesen und dann entsprechende Treiber automatisch laden können.
Dank der zusätzlichen GPIO-Pins werden die bereits vorhandenen Pins für Uart, I2C oder SPI nicht mehr so schnell blockiert. Auf der Platine selbst wurden die meist überflüssigen Jtag-Schnittstellen für den Broadcom-SoC und den LAN9514-Chip entfernt. Das grundsätzliche Layout der ersten 26 Pins hat sich jedoch nicht verändert, um eine Abwärtskompatibiltät mit den älteren Versionen der Entwicklerplatine zu gewährleisten. Die C-Bibliothek WiringPi sowie die entsprechende Bibliothek für Python Rpi.gpio sind bereits für das B+ angepasst worden.
Das Gleiche gilt auch für das Camera Serial Interface (CSI) und das Display Serial Interface (DSI), die beide in identischer Form auf dem Raspberry Pi B+ vorhanden sind, wie auf seinen Vorgängern. Unsere Kamera funktioniert auch mit der neuen Version problemlos.
Verfügbarkeit und Fazit
Offiziell kostet das Raspberry Pi B+ 35 US-Dollar(öffnet im neuen Fenster) und damit genauso viel wie sein Vorgänger, der weiterhin produziert wird und im Handel bleiben soll. In Deutschland gibt es das Raspberry Pi B+ ab etwa 33 Euro bei diversen Onlinehändlern zu kaufen.
Fazit
Positiv überrascht hat uns die verbesserte Stromversorgung des Raspberry Pi B+. Vor allem die gesunkene Leistungsaufnahme ist ein deutlicher Vorteil gegenüber seinen Vorgängern.
Das B+ verspricht mehr Spaß für Bastler, vor allem dank der zusätzlichen GPIO-Pins. Auch diejenigen, die die kleine Platine als Multimediacenter einsetzen wollen, dürften sich über die zusätzlichen USB-Ports freuen, etwa wenn neben Maus und Tastatur noch eine USB-Festplatte angeschlossen werden soll. Das Jonglieren mit USB-Geräten entfällt damit weitgehend.
Mit den zusätzlichen USB-Buchsen lassen sich neben Tastatur und Maus aber gleichzeitig auch WLAN- oder Bluetooth-Dongles nutzen. Das dürfte denjenigen gefallen, die an der grafischen Oberfläche arbeiten wollen.
Die Raspberry Pi Foundation wird wohl in nächster Zeit weiterhin auf den etwas schwachen Ein-Kern-Prozessor des Broadcom-SoCs nicht verzichten. Immerhin ist Eben Upton, der Erfinder des Raspberry Pi, bei Broadcom angestellt. Broadcom bietet aber auch selbst inzwischen kräftige SoCs an. Für eine Bastelplatine reicht der SoC wohl aus. Und schließlich gibt es zahlreiche Alternativen, etwa das Banana Pi oder diverse Cubieboards .



