Mehr USB- und GPIO-Anschlüsse: Neues B+-Modell des Raspberry Pi ist offiziell

"Das ist kein Raspberry Pi 2" . Damit kündigen die Macher des Entwicklerboards eine neue Version(öffnet im neuen Fenster) offiziell an. Das neue Modell mit dem Namen Raspberry Pi Model B+ ist nur ein verbessertes Modell.

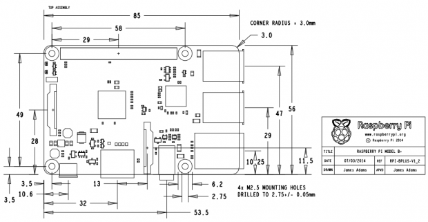
Wer die neue Entwicklerplatine einsetzt, kann sich über einige Neuerungen freuen. Der GPIO-Header wurde im Vergleich zum Vorgänger von 26 auf 40 PINs erweitert. Zudem gibt es jetzt mit vier USB-2.0-Anschlüssen eine Verdoppelung. Eher praktischer Natur ist der neue SD-Kartenschacht, der nun einen Federmechanismus unterstützt. Allerdings nimmt der Schacht nun nur noch Micro-SD-Karten auf. Zudem soll sich die Audioqualität verbessert haben, sie soll sich durch weniger Rauschen auszeichnen. Verringert wurde zudem die elektrische Leistungsaufnahme. Laut Hersteller reduziert sich der Energiebedarf um Werte zwischen 0,5 und 1 Watt.



Das Mainboard-Design wurde deutlich modifiziert. Auf die restlichen Funktionen hat der Umbau geringe Auswirkungen beim Einbau. Dazu gehört auch das Zusammenlegen von Audio und Video. Es bleibt bei den Leistungsdaten, die bereits das Raspberry Pi Model B bietet.
Das neue Model B+ ist bei einigen wenigen bereits vor dem Wochenende angekommen. Offiziell ist es erst seit dem heutigen 14. Juli 2014 verfügbar. Der Preis bleibt mit 35 US-Dollar identisch zu den Vorläuferplatinen. Das Modell B wird weiterhin im Handel bleiben. Das ist vor allem für Kunden wichtig, die das Mainboard in angepassten Gehäusen einsetzen.